Vanne PVC TEKNICA+ à coller - Joints EPDM
Code produit : 1140A
Vannes à boisseau sphérique
Vanne PVC à boisseau sphérique - Embouts à coller
Permet le sectionnement rapide et manuel d’un réseau par une manœuvre 1/4 de tour, réalisée sans outil, tout en garantissant une étanchéité immédiate, fiable et répétée.
Disponible en PN16 du d16 à 63 mm et en PN10 du d75 à 110 : PN 10 du 16 à 110mm
Les produits
- Résistante à la corrosion : idéale en milieux humides ou agressifs (eaux chlorées, engrais, sel… avec joints compatibles)
- Légère et facile à installer : manipulation simple, raccordement par collage
- Manœuvre rapide 1/4 de tour : ouverture/fermeture immédiate sans outil
- Étanchéité fiable : joints toriques en EPDM/FPM assurant une coupure nette et durable
- Aucune oxydation ni dépôt interne : intérieur lisse, pas de perte de charge liée à la corrosion
- Bon rapport qualité/prix : économique comparé aux vannes métalliques, pour des performances fiables
- Polyvalence d’usage : adaptée aux circuits d’arrosage, piscines, réseaux d’eau froide ou industriels non critiques
- Compatible réseaux apparents : esthétique sobre, aucun risque de corrosion visuelle
- Résistance chimique étendue
- Possède l'ACS
- Possibilité de démontage aval des tubes avec la vanne en charge en position fernée
- Réglage de la sphère à l'aide de la poignée de la vanne pour minimiser l'influence des effets de fond
- Passage intégral sauf d20 et 32mm bi-directionnelle
Domaines d'application
Pour les systèmes de canalisations en PVC-U rigides, utilisés dans les réseaux d'alimentation en eau potable, l’adduction d’eau brute, l’eau destinée à des usages industriels ou agricoles et les réseaux de piscine dans la limite de la PN. Canalisations enterrées ou apparentes. Température du fluide : max 45°C, détimbrage à partir de 20°C.
Caractéristiques techniques
Matière
NF EN 681-1: Garnitures d'étanchéité en caoutchouc - Spécification des matériaux pour garnitures d'étanchéité pour joints de canalisations utilisées dans le domaine de l'eau et de l'évacuation. - Partie 1 : caoutchouc vulcanisé Certification
Corps : PVC-U. Poignée : PVC-U. Ecrous : PVC-U. Joints : EPDM. Sphère : PVC-U. Siège : PTFE.
Références normatives NF EN ISO 1452-4 : Systèmes de canalisations en plastique pour l'alimentation en eau, pour branchements et collecteurs d'assainissement enterrés et aériens avec pression - Polychlorure de vinyle non plastifié (PVC-U) - Partie 4 : robinets-vannesNF EN 681-1: Garnitures d'étanchéité en caoutchouc - Spécification des matériaux pour garnitures d'étanchéité pour joints de canalisations utilisées dans le domaine de l'eau et de l'évacuation. - Partie 1 : caoutchouc vulcanisé Certification
Attestation de Conformité Sanitaire (ACS)
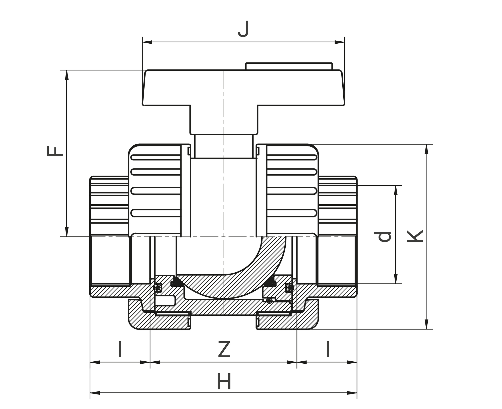
Références et dimensions
| Référence | d | DN | H | K | F | J | I | Z | PN à 20°C | Fiche tech. | CAD |
|---|---|---|---|---|---|---|---|---|---|---|---|
| 114016A | 16 | 10 | 71 | 45 | 45 | 65 | 14 | 43 | 16 | Télécharger Fiche tech. | Télécharger CAD |
| 114020A | 20 | 15 | 75 | 45 | 45 | 65 | 16 | 43 | 16 | Télécharger Fiche tech. | Télécharger CAD |
| 114025A | 25 | 20 | 89 | 55 | 54 | 73 | 19 | 51 | 16 | Télécharger Fiche tech. | Télécharger CAD |
| 114032A | 32 | 25 | 102 | 66 | 66 | 78 | 22 | 58 | 16 | Télécharger Fiche tech. | Télécharger CAD |
| 114040A | 40 | 32 | 120 | 80 | 74 | 96 | 26 | 68 | 16 | Télécharger Fiche tech. | Télécharger CAD |
| 114050A | 50 | 40 | 142 | 96 | 86 | 110 | 31 | 80 | 16 | Télécharger Fiche tech. | Télécharger CAD |
| 114063A | 63 | 50 | 169 | 118 | 106 | 129 | 38 | 93 | 16 | Télécharger Fiche tech. | Télécharger CAD |
| 114075A | 75 | 65 | 215 | 139 | 128 | 132 | 44 | 137 | 10 | Télécharger Fiche tech. | - |
| 114090A | 90 | 80 | 250 | 165 | 146 | 153 | 51 | 148 | 10 | Télécharger Fiche tech. | - |
| 1140110A | 110 | 100 | 295 | 207 | 173 | 185 | 61 | 173 | 10 | Télécharger Fiche tech. | - |
Schéma technique pour le produit :

Outillage de mise en oeuvre
Ressources
Fiche technique - Vanne TEKNICA+ à coller - Joints EPDM - 1140A
(application/pdf, 251.21 ko)Fiche de mise en oeuvre - Vanne TEKNICA+ à coller - Joints EPDM - 1140A
(application/pdf, 706.86 ko)Attestation de Conformité Sanitaire (ACS) - Vanne TEKNICA+ à coller - Joints EPDM - 1140A
(application/pdf, 255.37 ko)Informations logistiques
| Pièce | Carton | ||||||||
|---|---|---|---|---|---|---|---|---|---|
| Référence | Larg. (mm) | Prof. (mm) | Haut. (mm) | Poids (kg) | Larg. (mm) | Prof. (mm) | Haut. (mm) | Qté | Poids (kg) |
| 114016A | 71 | 45 | 68 | 0,093 | 480 | 310 | 340 | 160 | 15.42 |
| 114020A | 75 | 45 | 68 | 0,103 | 480 | 310 | 340 | 160 | 17.02 |
| 114025A | 89 | 54 | 81 | 0,171 | 480 | 310 | 340 | 90 | 15.93 |
| 114032A | 102 | 66 | 99 | 0,281 | 480 | 310 | 340 | 50 | 14.59 |
| 114040A | 120 | 74 | 111 | 0,475 | 480 | 310 | 340 | 40 | 19.54 |
| 114050A | 142 | 96 | 139 | 0,774 | 480 | 310 | 340 | 28 | 22.21 |
| 114063A | 169 | 106 | 159 | 1,29 | 480 | 310 | 340 | 13 | 17.31 |
| 114075A | 215 | 128 | 192 | 2 | 480 | 310 | 340 | 4 | 8.54 |
| 114090A | 250 | 146 | 219 | 3,709 | 480 | 310 | 340 | 2 | 7.96 |
| 1140110A | 295 | 173 | 260 | 6 | 480 | 310 | 340 | 2 | 12.54 |
