Kit de branchement électrosoudable NF 136-GAZ - D100
Code produit : 44614D-D100
Raccords NF 136-GAZ
Domaines d'application
Kits de branchement électrosoudables en polyéthylène (PE) pour les systèmes de canalisations destinées à la distribution de combustibles gazeux et à leurs assemblages avec des composants en PE et autres matières, destinés à être utilisés une pression maximale de service, MOP, jusques et y compris 10 bars et à une température de service de 20 °C, comme température de référence.
Caractéristiques techniques
Matière
NF EN 681-1: Garnitures d'étanchéité en caoutchouc - Spécification des matériaux pour garnitures d'étanchéité pour joints de canalisations utilisées dans le domaine de l'eau et de l'évacuation. - Partie 1 : caoutchouc vulcanisé Certification
Corps : PEHD. Joints : NBR. Boulonnerie : Acier galvanisé. Couteau : laiton - alliage CW617N.
Références normatives NF EN 1555-3 : Systèmes de canalisations en plastique pour la distribution de combustibles gazeux — Polyéthylène (PE) — Partie 3 : raccordsNF EN 681-1: Garnitures d'étanchéité en caoutchouc - Spécification des matériaux pour garnitures d'étanchéité pour joints de canalisations utilisées dans le domaine de l'eau et de l'évacuation. - Partie 1 : caoutchouc vulcanisé Certification
Marque NF 136-GAZ
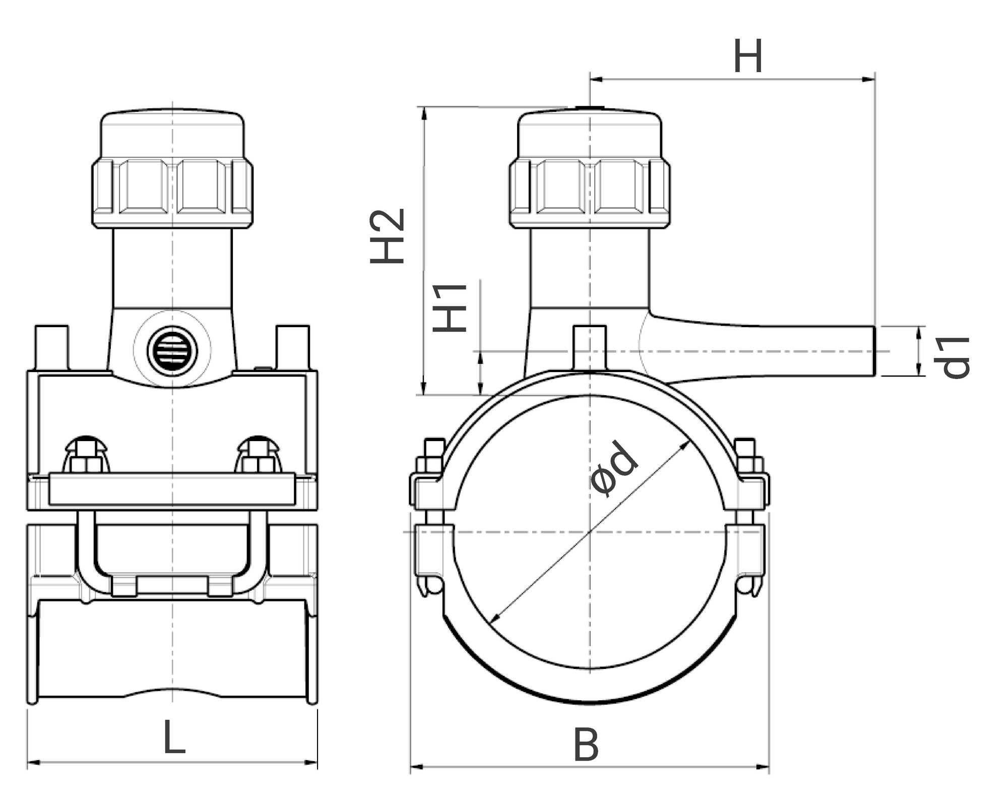
Références et dimensions
| Référence | d x d1 | Type | L | B | H | H1 | H2 | PN à 20°C | Fiche tech. |
|---|---|---|---|---|---|---|---|---|---|
| 46614040032D | 40 x 32 | M | 100 | 66 | 121 | 11 | 94 | 4 | Télécharger Fiche tech. |
| 46614063032D | 63 x 32 | M | 118 | 100 | 99 | 12 | 90 | 4 | Télécharger Fiche tech. |
| 46614110032D | 110 x 32 | B | 118 | 148 | 127 | 16 | 114 | 4 | Télécharger Fiche tech. |
| 46614125032D | 125 x 32 | B | 118 | 162 | 131 | 16 | 138 | 4 | Télécharger Fiche tech. |
| 46614160032D | 160 x 32 | B | 118 | 199 | 144 | 16 | 138 | 4 | Télécharger Fiche tech. |
| 46614200032D | 200 x 32 | S | 176 | 202 | 132 | 56 | 177 | 4 | Télécharger Fiche tech. |
1 prise de branchement D25 avec déclencheur intégré (PBDI) munie d'un dispositif témoin étancheur (DTE), 1 manchon électrosoudable, 1 collier jaune PBDI et 1 notice de mise en œuvre.
Schéma technique pour le produit :

Informations logistiques
| Pièce | Carton | ||||||||
|---|---|---|---|---|---|---|---|---|---|
| Référence | Larg. (mm) | Prof. (mm) | Haut. (mm) | Poids (kg) | Larg. (mm) | Prof. (mm) | Haut. (mm) | Qté | Poids (kg) |
| 46614040032D | 130 | 100 | 139 | 0,35 | 570 | 490 | 330 | 45 | 17.15 |
| 46614063032D | 135 | 118 | 155 | 0,45 | 570 | 490 | 330 | 40 | 19.40 |
| 46614110032D | 180 | 118 | 170 | 0,49 | 570 | 490 | 330 | 20 | 11.20 |
| 46614125032D | 185 | 118 | 177 | 0,49 | 570 | 490 | 330 | 15 | 8.75 |
| 46614160032D | 244 | 118 | 219 | 0,49 | 570 | 490 | 330 | 10 | 6.30 |
| 46614200032D | 260 | 176 | 287 | 1,31 | 570 | 490 | 330 | 8 | 11.88 |
