Aller au contenu principal

Manchon PVC taraudé

Code produit : 
5011
Raccords taraudés-filetés

Domaines d'application

Raccords en PVC non plastifié pour les systèmes de canalisations d'eau sous pression à des températures inférieures ou égales à 45°C (à partir de 25°C, appliquer un coefficient de détimbrage) et leurs assemblages avec des composants en PVC-U ou en d'autres matériaux destinés aux conduites enterrées ou en aérien à l'extérieur ou à l'intérieur du bâtiment.

Caractéristiques techniques

Matière
PVC-U.
Références normatives NF EN ISO 1452-3 : Systèmes de canalisations en plastique pour l'alimentation en eau, pour branchements et collecteurs d'assainissement enterrés et aériens avec pression - Polychlorure de vinyle non plastifié (PVC-U) - Partie 3 : raccords
ISO 7-1:1994 Filetages de tuyauterie pour raccordement avec étanchéité dans le filet — Partie 1: Dimensions, tolérances et désignation Certification
Attestation de Conformité Sanitaire (ACS)

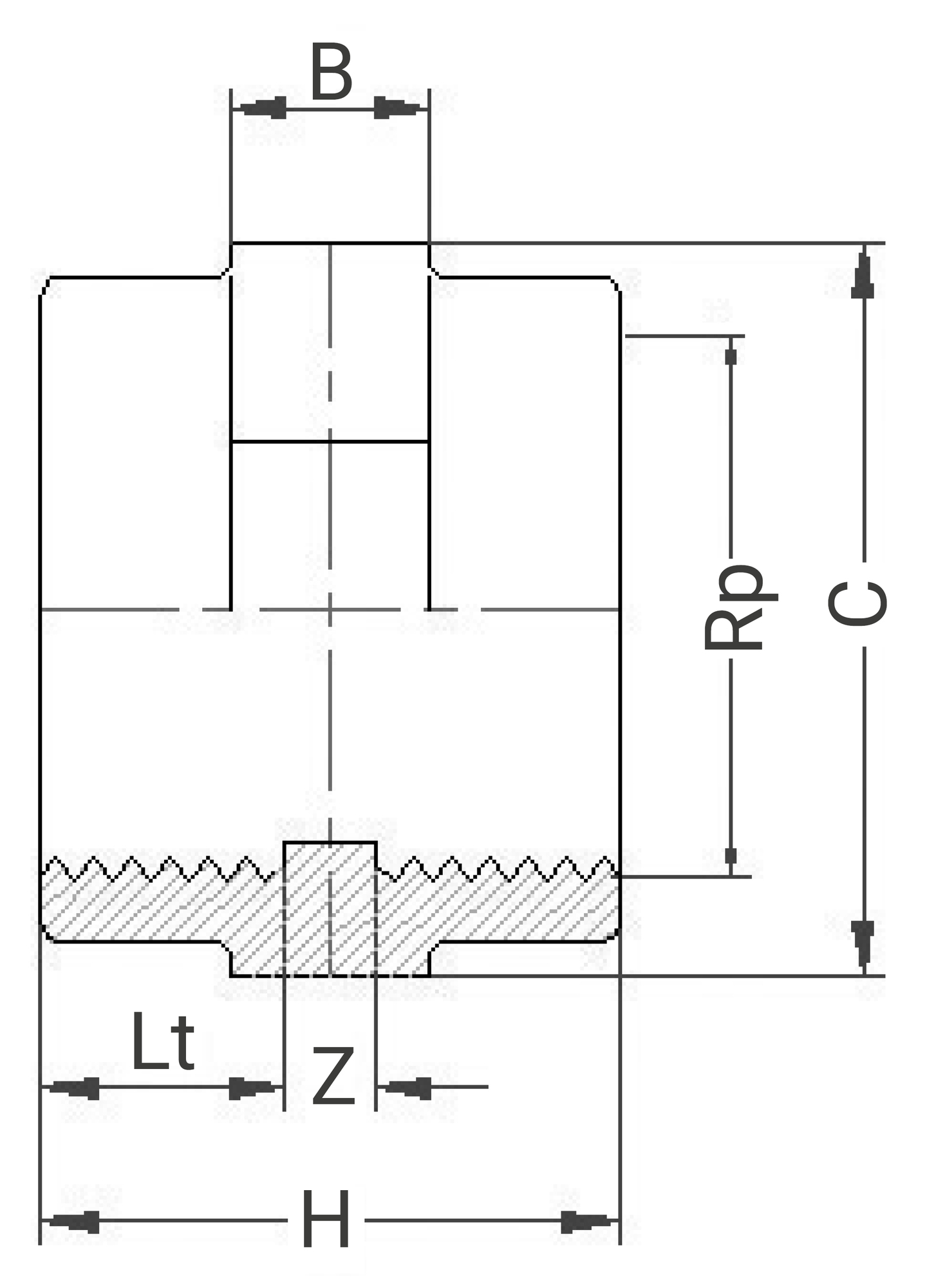
Références et dimensions

Références et dimensions de Manchon PVC taraudé
RéférenceRpHCLtBZPN à 20°CFiche tech.CAD
501103 3/8" 30 25 13 12 4 16 Télécharger Fiche tech. Télécharger CAD
501105 1/2" 36 30 17 12 2 16 Télécharger Fiche tech. Télécharger CAD
501107 3/4" 40 40 18 12 4 16 Télécharger Fiche tech. Télécharger CAD
501110 1" 45 45 20 12 5 16 Télécharger Fiche tech. Télécharger CAD
501113 1 1/4" 52 51 22 16 8 16 Télécharger Fiche tech. Télécharger CAD
501115 1 1/2" 57 63 22 16 13 16 Télécharger Fiche tech. Télécharger CAD
501120 2" 68 80 26 16 16 16 Télécharger Fiche tech. Télécharger CAD
501125 2 1/2" 78 90 29 20 20 16 Télécharger Fiche tech. Télécharger CAD
501130 3" 89 108 33 24 23 16 Télécharger Fiche tech. Télécharger CAD
501140 4" 106 130 40 28 26 16 Télécharger Fiche tech. Télécharger CAD
Schéma technique pour le produit :
schéma de la référence

Outillage de mise en oeuvre

Informations logistiques

Pièce Sachet Carton
Référence Larg. (mm) Prof. (mm) Haut. (mm) Poids (kg) Poids (kg) Qté Larg. (mm) Prof. (mm) Haut. (mm) Qté Poids (kg)
501103 30 25 25 0,01 0,1 10 570 490 340 2300 24,4
501105 36 30 30 0,016 0,16 10 570 490 340 1400 23,8
501107 40 40 40 0,021 0,21 10 570 490 340 900 20,3
501110 45 45 45 0,042 0,42 10 570 490 340 500 22,4
501113 52 51 51 0,053 0,53 10 570 490 340 300 17,3
501115 57 63 63 0,12 1,2 10 570 490 340 200 25,4
501120 68 80 80 0,165 - - 570 490 340 100 17,9
501125 78 90 90 0,234 - - 480 310 340 60 14,58
501130 89 108 108 0,418 - - 570 490 340 60 26,48
501140 106 130 130 0,533 - - 570 490 340 32 18,46

Ces produits peuvent aussi vous intéresser