Mamelon double PVC fileté
Code produit : 5061
Raccords taraudés-filetés
Domaines d'application
Mamelons filetés en PVC non plastifié pour les systèmes de canalisations d'eau sous pression à des températures inférieures ou égales à 45°C (à partir de 25°C, appliquer un coefficient de détimbrage) et leurs assemblages avec des composants en PVC-U ou en d'autres matériaux destinés aux conduites enterrées ou en aérien à l'extérieur ou à l'intérieur du bâtiment.
Caractéristiques techniques
Matière
ISO 7-1:1994 Filetages de tuyauterie pour raccordement avec étanchéité dans le filet — Partie 1: Dimensions, tolérances et désignation Certification
PVC-U.
Références normatives NF EN ISO 1452-3 : Systèmes de canalisations en plastique pour l'alimentation en eau, pour branchements et collecteurs d'assainissement enterrés et aériens avec pression - Polychlorure de vinyle non plastifié (PVC-U) - Partie 3 : raccordsISO 7-1:1994 Filetages de tuyauterie pour raccordement avec étanchéité dans le filet — Partie 1: Dimensions, tolérances et désignation Certification
Attestation de Conformité Sanitaire (ACS)
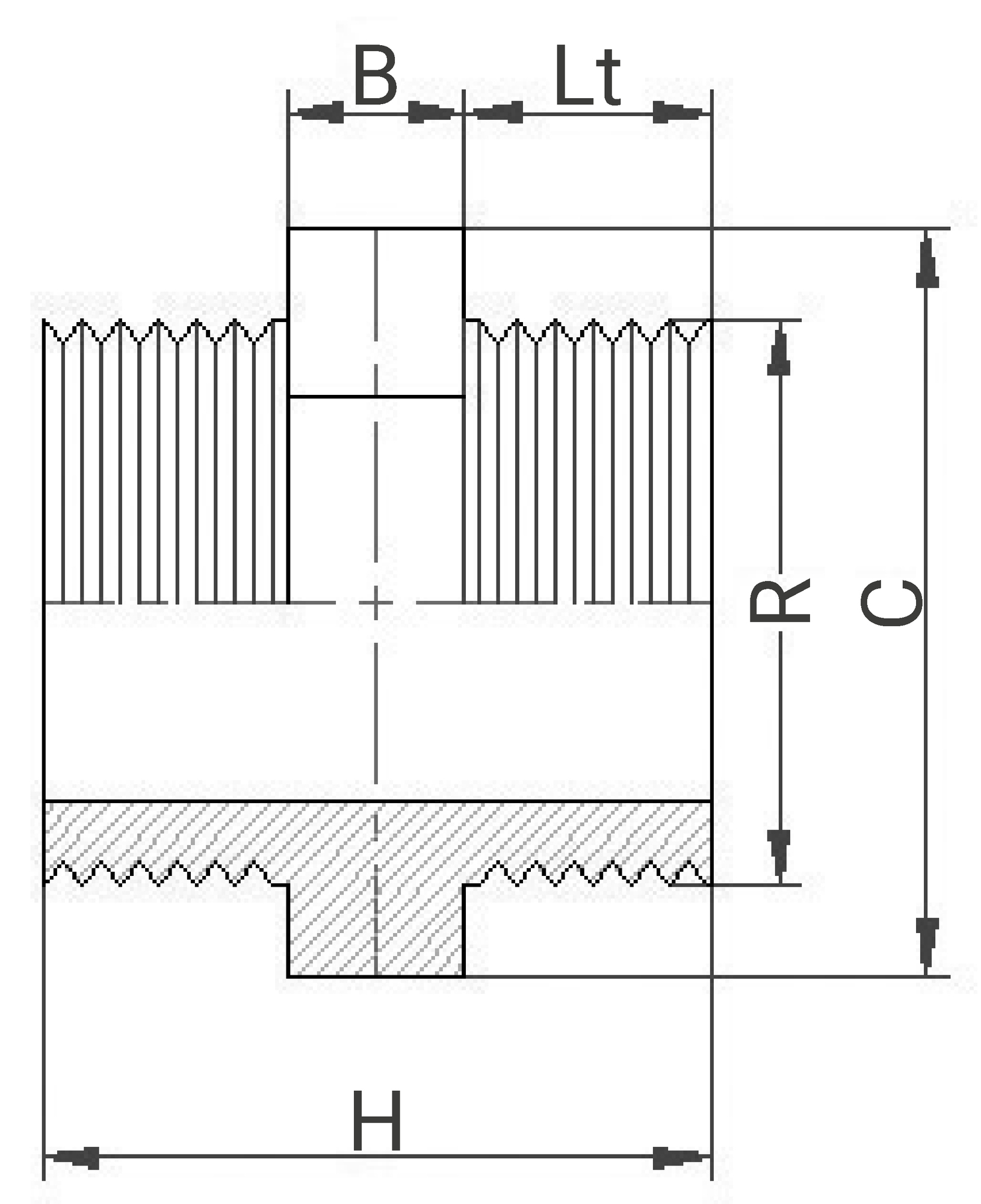
Références et dimensions
| Référence | R | H | C | Lt | B | PN à 20°C | Fiche tech. | CAD |
|---|---|---|---|---|---|---|---|---|
| 506103 | 3/8" | 35 | 22 | 11 | 12 | 16 | Télécharger Fiche tech. | Télécharger CAD |
| 506105 | 1/2" | 45 | 24 | 16 | 12 | 16 | Télécharger Fiche tech. | Télécharger CAD |
| 506107 | 3/4" | 47 | 30 | 17 | 12 | 16 | Télécharger Fiche tech. | Télécharger CAD |
| 506110 | 1" | 51 | 36 | 19 | 12 | 16 | Télécharger Fiche tech. | Télécharger CAD |
| 506113 | 1 1/4" | 60 | 46 | 22 | 16 | 16 | Télécharger Fiche tech. | Télécharger CAD |
| 506115 | 1 1/2" | 60 | 50 | 22 | 16 | 16 | Télécharger Fiche tech. | Télécharger CAD |
| 506120 | 2" | 68 | 65 | 26 | 16 | 16 | Télécharger Fiche tech. | Télécharger CAD |
| 506125 | 2 1/2" | 80 | 80 | 30 | 20 | 16 | Télécharger Fiche tech. | Télécharger CAD |
| 506130 | 3" | 87 | 95 | 33 | 20 | 16 | Télécharger Fiche tech. | Télécharger CAD |
| 506140 | 4" | 102 | 120 | 41 | 20 | 16 | Télécharger Fiche tech. | Télécharger CAD |
Schéma technique pour le produit :

Outillage de mise en oeuvre
Informations logistiques
| Pièce | Sachet | Carton | |||||||||
|---|---|---|---|---|---|---|---|---|---|---|---|
| Référence | Larg. (mm) | Prof. (mm) | Haut. (mm) | Poids (kg) | Poids (kg) | Qté | Larg. (mm) | Prof. (mm) | Haut. (mm) | Qté | Poids (kg) |
| 506103 | 35 | 22 | 22 | 0,01 | 0,1 | 10 | 570 | 490 | 340 | 2800 | 29,4 |
| 506105 | 45 | 24 | 24 | 0,014 | 0,14 | 10 | 570 | 490 | 170 | 2000 | 28,7 |
| 506107 | 47 | 30 | 30 | 0,02 | 0,2 | 10 | 480 | 310 | 340 | 650 | 13,54 |
| 506110 | 51 | 36 | 36 | 0,032 | 0,32 | 10 | 570 | 490 | 340 | 700 | 23,8 |
| 506113 | 60 | 46 | 46 | 0,058 | 0,58 | 10 | 570 | 490 | 340 | 400 | 24,6 |
| 506115 | 60 | 50 | 50 | 0,072 | 0,72 | 10 | 570 | 490 | 340 | 300 | 23 |
| 506120 | 68 | 65 | 65 | 0,094 | 0,47 | 5 | 570 | 490 | 340 | 150 | 15,5 |
| 506125 | 80 | 80 | 80 | 0,188 | - | - | 480 | 310 | 340 | 96 | 18,59 |
| 506130 | 87 | 95 | 95 | 0,286 | - | - | 570 | 490 | 340 | 85 | 25,71 |
| 506140 | 102 | 120 | 120 | 0,478 | - | - | 570 | 490 | 340 | 42 | 21,48 |
