Bride PVC fixe taraudée
Code produit : 5921
Collets-brides
Domaines d'application
Brides taraudées en PVC non plastifié pour les systèmes de canalisations d'eau sous pression à des températures inférieures ou égales à 45°C (à partir de 25°C, appliquer un coefficient de détimbrage) et leurs assemblages avec des composants en PVC-U ou en d'autres matériaux destinés aux conduites enterrées ou en aérien à l'extérieur ou à l'intérieur du bâtiment.
Caractéristiques techniques
Matière
ISO 7-1:1994 Filetages de tuyauterie pour raccordement avec étanchéité dans le filet — Partie 1: Dimensions, tolérances et désignation Certification
PVC-U.
Références normatives NF EN ISO 1452-3 : Systèmes de canalisations en plastique pour l'alimentation en eau, pour branchements et collecteurs d'assainissement enterrés et aériens avec pression - Polychlorure de vinyle non plastifié (PVC-U) - Partie 3 : raccordsISO 7-1:1994 Filetages de tuyauterie pour raccordement avec étanchéité dans le filet — Partie 1: Dimensions, tolérances et désignation Certification
Attestation de Conformité Sanitaire (ACS)
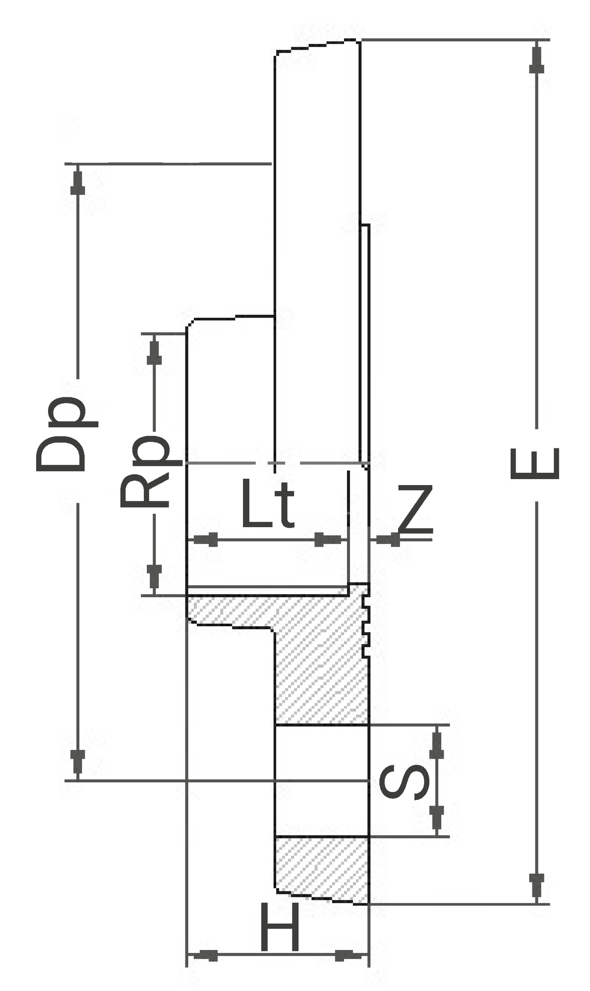
Références et dimensions
| Référence | Rp | DN | H | E | Dp | Lt | S | Z | Nb Boulons | Classe de perçage | Fiche tech. | CAD |
|---|---|---|---|---|---|---|---|---|---|---|---|---|
| 592110 | 1" | 25 | 23 | 115 | 85 | 20 | 14 | 3 | 4 | ISO GN 10 / 16 | Télécharger Fiche tech. | Télécharger CAD |
| 592113 | 1 1/4" | 32 | 27 | 140 | 100 | 22 | 18 | 5 | 4 | ISO GN 10 / 16 | Télécharger Fiche tech. | Télécharger CAD |
| 592115 | 1 1/2" | 40 | 32 | 150 | 110 | 22 | 18 | 10 | 4 | ISO GN 10 / 16 | Télécharger Fiche tech. | Télécharger CAD |
| 592120 | 2" | 50 | 39 | 165 | 125 | 26 | 18 | 13 | 4 | ISO GN 10 / 16 | Télécharger Fiche tech. | Télécharger CAD |
| 592125 | 2 1/2" | 65 | 47 | 185 | 145 | 29 | 18 | 18 | 4 | ISO GN 10 / 16 | Télécharger Fiche tech. | Télécharger CAD |
| 592130 | 3" | 80 | 54 | 200 | 160 | 33 | 18 | 21 | 8 | ISO GN 10 / 16 | Télécharger Fiche tech. | Télécharger CAD |
| 592140 | 4" | 100 | 64 | 220 | 180 | 40 | 18 | 24 | 8 | ISO GN 10 / 16 | Télécharger Fiche tech. | Télécharger CAD |
Schéma technique pour le produit :

Outillage de mise en oeuvre
Informations logistiques
| Pièce | Carton | ||||||||
|---|---|---|---|---|---|---|---|---|---|
| Référence | Larg. (mm) | Prof. (mm) | Haut. (mm) | Poids (kg) | Larg. (mm) | Prof. (mm) | Haut. (mm) | Qté | Poids (kg) |
| 592110 | 25 | 115 | 115 | 0,147 | 480 | 310 | 340 | 144 | 21,71 |
| 592113 | 30 | 140 | 140 | 0,24 | 480 | 310 | 340 | 70 | 17,34 |
| 592115 | 35 | 150 | 150 | 0,295 | 480 | 310 | 340 | 60 | 18,24 |
| 592120 | 40 | 165 | 165 | 0,425 | 480 | 310 | 340 | 45 | 19,67 |
| 592125 | 50 | 185 | 185 | 0,565 | 480 | 310 | 340 | 25 | 14,67 |
| 592130 | 55 | 200 | 200 | 0,746 | 480 | 310 | 340 | 18 | 13,97 |
| 592140 | 65 | 220 | 220 | 0,866 | 480 | 310 | 340 | 12 | 10,93 |