Coude à 90° à compression millenium Série 7
Code produit : 87050
Raccords à compression
Raccord à compression à 90° millenium pour systèmes de canalisations sous pression.
Permet l'assemblage à 90° de 2 tubes en PEHD de diamètres égaux.
Disponible en PN16 du d75 à 110mm.
Les produits
- Etanchéité dépendante du serrage
- Insertion du tube sans démontage du raccord. Compression du joint puis de la bague sur le tube.
- Pas nécessaire de chanfreiner.
- Joint spécifique. Le profil du joint reprend la forme d’un tore à la compression.
Domaines d'application
Irrigation - Adduction d'eau brute ou destinée à la consommation humaine.
Température du fluide : max 40°C, détimbrage à partir de 20°C.
Caractéristiques techniques
Matière
Corps : Polypropylène, copolymère haute qualité. Ecrous : Polypropylène, copolymère haute qualité. Joints : NBR. Bagues de crampage : Polyacétal.
Références normatives ISO 17885: 2021 - Systèmes de canalisations en plastiques — Raccords mécaniques pour les canalisations sous pression — Spécifications Certification Attestation de Conformité Sanitaire (ACS)
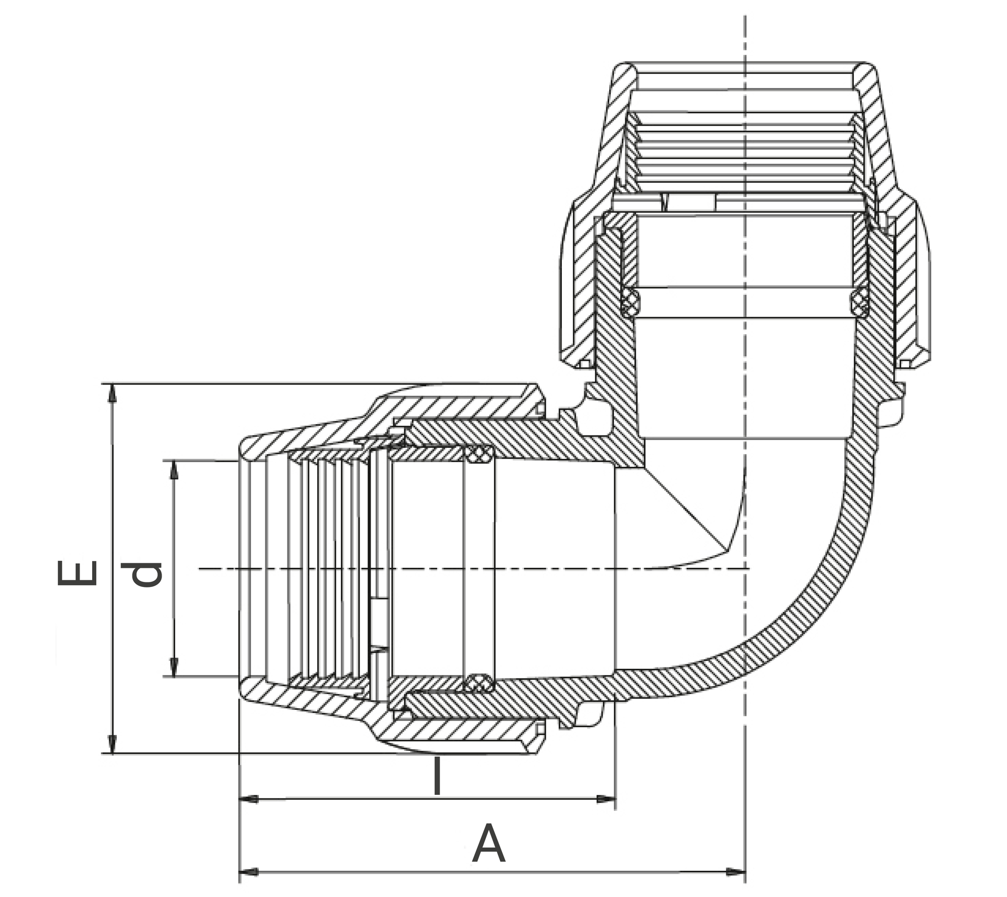
Références et dimensions
| Référence | d | E | A | I | PN à 20°C | Fiche tech. | CAD |
|---|---|---|---|---|---|---|---|
| 8705075 | 75 | 132 | 184 | 137 | 16 | Télécharger Fiche tech. | Télécharger CAD |
| 8705090 | 90 | 152 | 216 | 161 | 16 | Télécharger Fiche tech. | Télécharger CAD |
| 87050110 | 110 | 181 | 294 | 196 | 16 | Télécharger Fiche tech. | Télécharger CAD |
Schéma technique pour le produit :

Accessoires
Vidéos
Nos formations
Plasson France accompagne vos équipes dans l’apprentissage des bonnes pratiques de raccordement du PE.
Découvrir nos formationsOutillage de mise en oeuvre
Informations logistiques
| Pièce | Carton | ||||||||
|---|---|---|---|---|---|---|---|---|---|
| Référence | Larg. (mm) | Prof. (mm) | Haut. (mm) | Poids (kg) | Larg. (mm) | Prof. (mm) | Haut. (mm) | Qté | Poids (kg) |
| 8705075 | 250 | 250 | 135 | 1,36 | 570 | 490 | 330 | 12 | 17,72 |
| 8705090 | 295 | 295 | 155 | 2,17 | 570 | 490 | 330 | 8 | 18,76 |
| 87050110 | 385 | 385 | 185 | 4,01 | 570 | 490 | 330 | 4 | 17,44 |
