Raccord à bride millenium Série 7
Code produit : 87220
Raccords de transition
Adaptateur à bride millenium pour systèmes de canalisations sous pression.
Permet l'assemblage d'un tube en PEHD avec un accessoire de réseau à bride conforme à EN 1092.
Disponible en PN16 du d75 à 110mm.
Les produits
- Etanchéité indépendante du serrage - Usinage de la gorge du joint dans la masse du corps. Cette gorge n’est pas rapportée en utilisant un insert. Elle est fixe et adaptée au joint. C’est la meilleure garantie pour l’étanchéité de l’assemblage.
- Insertion du tube sans démontage du raccord, chanfreinage conseillé.
- Bride intégrée.
Domaines d'application
Irrigation - Adduction d'eau brute ou destinée à la consommation humaine.
Température du fluide : max 40°C, détimbrage à partir de 20°C.
Caractéristiques techniques
Matière
NF EN 1092 : Brides et leurs assemblages - Brides circulaires pour tubes, appareils de robinetterie, raccords et accessoires, désignées PN
NF EN 681-1: Garnitures d'étanchéité en caoutchouc - Spécification des matériaux pour garnitures d'étanchéité pour joints de canalisations utilisées dans le domaine de l'eau et de l'évacuation. - Partie 1 : caoutchouc vulcanisé Certification
Corps : Polypropylène, copolymère haute qualité. Ecrous : Polypropylène, copolymère haute qualité. Joints : NBR. Bride : Acier SAE 1020.
Références normatives ISO 17885: 2021 - Systèmes de canalisations en plastiques — Raccords mécaniques pour les canalisations sous pression — SpécificationsNF EN 1092 : Brides et leurs assemblages - Brides circulaires pour tubes, appareils de robinetterie, raccords et accessoires, désignées PN
NF EN 681-1: Garnitures d'étanchéité en caoutchouc - Spécification des matériaux pour garnitures d'étanchéité pour joints de canalisations utilisées dans le domaine de l'eau et de l'évacuation. - Partie 1 : caoutchouc vulcanisé Certification
Attestation de Conformité Sanitaire (ACS)
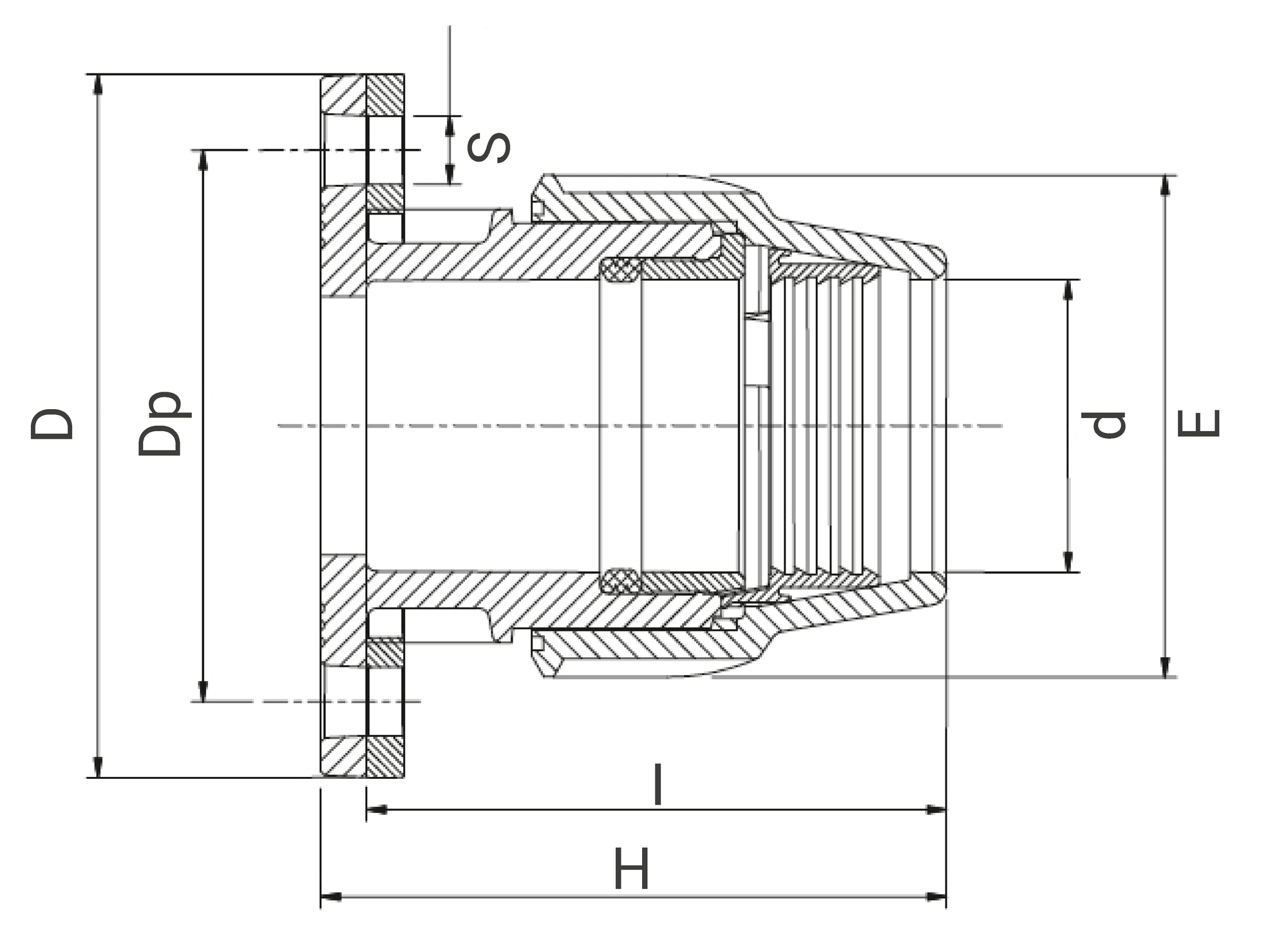
Références et dimensions
| Référence | d x DN | H | E | D | I | Dp | S | Nb Boulons | Classe de perçage | PN à 20°C | Fiche tech. | CAD |
|---|---|---|---|---|---|---|---|---|---|---|---|---|
| 872207525 | 75 x 65 | 169 | 132 | 185 | 157 | 145 | 18 | 4 | ISO GN 10/16 | 16 | Télécharger Fiche tech. | Télécharger CAD |
| 872209030 | 90 x 80 | 194 | 152 | 200 | 182 | 160 | 18 | 8 | ISO GN 10/16 | 16 | Télécharger Fiche tech. | Télécharger CAD |
| 872209040 | 90 x 100 | 194 | 152 | 220 | 182 | 180 | 18 | 8 | ISO GN 10/16 | 16 | Télécharger Fiche tech. | Télécharger CAD |
| 8722011040 | 110 x 100 | 237 | 181 | 220 | 224 | 180 | 18 | 8 | ISO GN 10/16 | 16 | Télécharger Fiche tech. | Télécharger CAD |
Perçage des brides selon ISO 7005-1 (table 11), DIN 2501, AS/NZS 4331. JOINT NON FOURNI.
Schéma technique pour le produit :

Accessoires
Vidéos
Nos formations
Plasson France accompagne vos équipes dans l’apprentissage des bonnes pratiques de raccordement du PE.
Découvrir nos formationsOutillage de mise en oeuvre
Informations logistiques
| Pièce | Carton | ||||||||
|---|---|---|---|---|---|---|---|---|---|
| Référence | Larg. (mm) | Prof. (mm) | Haut. (mm) | Poids (kg) | Larg. (mm) | Prof. (mm) | Haut. (mm) | Qté | Poids (kg) |
| 872207525 | 170 | 185 | 185 | 2,2 | 570 | 490 | 330 | 11 | 25,6 |
| 872209030 | 195 | 200 | 200 | 2,43 | 570 | 490 | 330 | 10 | 25,7 |
| 872209040 | 195 | 220 | 220 | 2,98 | 570 | 490 | 330 | 8 | 25,24 |
| 8722011040 | 240 | 220 | 220 | 3,4 | 570 | 490 | 330 | 8 | 28,6 |
